3 Piece Trunnion Ball Valves, API 6D, ASTM A105, 24 Inch, RF
- Product Name:
- 3 Piece Trunnion Ball Valves
- Type:
- Trunnion Mounted Ball Valve
- Design Standard:
- API 6D
- Body Material:
- ASTM A105
- Size:
- 24 Inch, DN600
- Pressure:
- Class 600 LB, PN100
- End Connection:
- RF Flanged
- Operation:
- Gearbox
- Temperature Range:
- -46°C to 120°C
- Medium:
- Water, Oil, Gas, etc
Key Specifications / Features
The 3 Piece Trunnion Ball Valves Factory produces high-quality valves designed in accordance with API 6D standards. These valves feature a forged carbon steel body made from ASTM A105 material, ensuring strength and durability. With a 24-inch diameter (DN600) and a pressure rating of 600 LB (PN100), they are suitable for demanding industrial applications. The valves are equipped with raised face (RF) flanged ends for secure and reliable connections.
Trunnion mounted ball valves allow easy and smooth operation at high line pressure. Carefully aligned bearings assist low torque operation. The ball is fixed in position but free to turn. All cast trunnion ball valves manufactured are made with reliable high-quality castings and feature a fire-safe design certified according to BS 6755, API 607, and API 6FA. They meet all applicable ASME standards. Cast steel trunnion ball valves are available in two types: Two Piece Split Body and Three Piece Bolted Body. These valves are designed and manufactured to the most updated international standards, including API 6D, ASME B16.34, and BS 5351 or equivalents. They come with standard features such as fire-safe design, anti-static properties, and stem blow-out proofing.
Technical Specification
» Product: Trunnion Mounted Ball Valve
» Size Ranges: NPS 2–48 Inch (DN50–DN1200)
» Temperature Range: -46°C to 120°C
» Design Pressure: Class 150–2500 LB (PN10–PN420)
» Materials: Cast Carbon Steel, Stainless Steel, Duplex, or Other Specials
» Trim Materials: 13%Cr, SS 304, SS 304L, SS 316, SS 316L, and other specials
» Seat Materials: RPTFE, DEVLON, PEEK
» End Connections: Flanged RF, RTJ, Welded
» Operation: Handle, Worm Gear, Electric, Pneumatic
» Design and Manufacture: API 6D, BS 5351, ASME B16.34
» Face to Face (End to End): ASME B16.10
» Flanged Connection: ASME B16.5, ASME B16.47
» Test and Inspection: API 598, API 6D
» Butt Welded End: ASME B16.25
» Fire Safety: API 607, API 6A
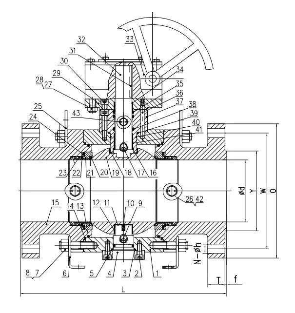
Structural Diagram

Product Features
» Double Block And Bleed(DBB)
» Low Operating Torque
» Emergency Sealing Device
» Fireproof Structure Design
» Anti-static Structure
» Reliable seat sealing structure
» Single Sealing (automatic Pressure Relief In Middle Cavity Of Valve)
» Double Sealing (double Piston)
» Safety Relief Device
» Special Structure Of Automatic Pressure Relief Towards Upper Stream
» Blow-out Proof Stem
» Corrosion Resistance And Sulfide Stress Resistance
» Optional Locking Device or Stem Extension
» Optional Direct Mounting to ISO 5211
» Full Port or Reduce Bore



