ASTM A105 Trunnion Ball Valve, API 6D, 36 Inch, 600 LB, RF
- Product Name:
- ASTM A105 Trunnion Ball Valve
- Type:
- Trunnion Mounted Ball Valve
- Design Standard:
- API 6D
- Body Material:
- ASTM A105
- Size:
- 36 Inch, DN900
- Pressure:
- Class 600 LB, PN100
- End Connection:
- RF Flanged
- Operation:
- Gear Box
- Temperature Range:
- -46°C to 120°C
- Medium:
- Water, Oil, Gas, etc
Key Specifications / Features
The China Carbon Steel Ball Valve Factory produces heavy-duty trunnion mounted ball valves built to API 6D specifications. Constructed from ASTM A105 carbon steel, each valve features a large 36-inch (DN900) size, supports high-pressure Class 600 LB / PN100 ratings, and comes with RF flanged ends, making it ideal for critical flow control in pipelines, oil and gas, and industrial systems.
Trunnion Mounted Ball Valves are engineered for smooth, low-torque operation even under high-pressure conditions. Equipped with precisely aligned bearings, these valves ensure effortless performance. The ball remains fixed in position but is free to rotate, allowing optimal sealing and flow control. Manufactured using high-quality castings, all valves feature fire-safe designs certified to BS 6755, API 607, and API 6FA standards, and fully comply with applicable ASME requirements. We offer both two-piece split body and three-piece bolted body designs. These valves are designed and manufactured to international standards such as API 6D, ASME B16.34, and BS 5351. Standard features include fire-safe construction, anti-static components, and blow-out-proof stems, ensuring safety, durability, and reliable performance in critical applications.
Technical Specification
» Size Range: NPS 2-48 Inch (DN50-DN1200)
» Design Pressure: Class 150-2500 LB (PN10-PN420)
» Body Materials: Cast Carbon Steel, Stainless Steel, Duplex, and Special Alloys
» Trim Materials: 13%Cr, SS 304, SS 304L, SS 316, SS 316L, and other options
» Seat Materials: RPTFE, DEVLON, PEEK
» End Connections: Flanged RF/RTJ, Butt Welded
» Operation Types: Handle, Worm Gear, Electric, Pneumatic
» Design & Manufacturing Standards: API 6D, BS 5351, ASME B16.34
» Face-to-Face Dimensions: ASME B16.10
» Flanged Connections: ASME B16.5, ASME B16.47
» Welded Ends: ASME B16.25
» Testing & Inspection: API 598, API 6D
» Fire Safety Compliance: API 607, API 6FA
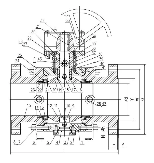
Structural Diagram

Product Features
» Double Block and Bleed (DBB) Function
» Low Operating Torque for Ease of Use
» Emergency Sealing Device for Enhanced Safety
» Fireproof Structure Design
» Anti-static Mechanism to Prevent Ignition Risks
» Reliable Seat Sealing Structure for Leak Prevention
» Single Sealing with Automatic Pressure Relief in the Cavity
» Double Sealing with Double Piston Effect
» Integrated Safety Relief Device
» Automatic Upstream Pressure Relief Structure
» Blow-out Proof Stem Design
» Excellent Corrosion and Sulfide Stress Resistance
» Optional Locking Device or Stem Extension
» Direct Mounting Pad to ISO 5211 (Optional)
» Available in Full Port or Reduced Bore Configurations



